FAQ
- M051 Base Series(95)
- M0518 Series(97)
- M0519 Series(43)
- M0564 Series(1)
- Mini51 Base Series(90)
- Nano100/102 Base Series(101)
- Nano103 Base Series(10)
- Nano110/112 LCD Series(100)
- Nano120 USB Series(111)
- Nano130 Advanced Series(110)
- NUC029 Series(94)
- NUC100/200 Advanced Series(102)
- NUC120/122/123/220 USB Series(116)
- NUC121/125 Series(1)
- NUC126 USB Series(2)
- NUC130/230 CAN Series(103)
- NUC131/NUC1311 CAN Series(98)
- NUC140/240 Connectivity Series(114)
FAQ
How to measure accurate ADC voltage values? Issue Date:2018-01-15
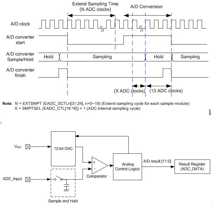
The ADC (Analog-to-Digital Converter) architecture of Nuvoton’s microcontroller (MCU) is mostly equipped with SAR ADC (Successive approximation ADC), which needs to store the charge in the sample-and-hold capacitor inside the ADC in use. User needs to make sure that the sample-and-hold capacitor after charging is equal to the external measurement voltage before starting the analog-digital conversion to obtain an accurate voltage value. When a longer charge time is required, the user can set a longer sampling time by using the SMPTSEL (EADC_CTL [18:16]) & EXTSMPT (EADC_SCTLn [31:24]) to make the capacitor voltage equal to the external voltage.
For example, SMPTSEL = 8, EXTSMPT = 200, then the sampling time is 200 + 2 + 8 = 210 (ADC Clock), the ADC clock is 10MHz, 21μs time for the sample and hold capacitor to charge. This ensures that the external measurement voltage is equal to obtain accurate voltage values.

| Products: | Microcontrollers ,8bit 8051 MCUs ,Arm Cortex-M0 MCUs ,Arm Cortex-M4 MCUs |
|---|---|
| Applications: | |
| Function: | Peripherals,Analog,ADC |